Busca de produtos
  • Fone: 55(11)3352-1299

Anéis

Anéis O-ring, V-ring, Quad-ring e Anéis Raspadores.


Uma das mais antigas formas de vedação, é produzido em diferentes tipos de materiais, sendo em seção circular, em X ou em V.

Utilizado em vedações estáticas ou dinâmicas.

A escolha do material utilizado, sua dureza, e caracterisiticas de construção dependerá exclusivamente da pressão, temperatura de trabalho, tipo e fluído a ser vedado.

Anéis Raspadores

O Anel Raspador é formado por uma peça moldada de borracha com um labio de raspagem de angulo positivo e uma seção rígida para montagem com ou sem anel metálico.
Sua função consiste na remoção de poeira ou partículas abrasivas que se depositam nas hastes de sistemas hidraulicos ou pneumáticos, com o objetivo de proteger as superficies internas do equipamento.
A mesma proteção se faz necessária aos movimentos rotativos, que se protegem com os retentores providos de guarda-pó ou com retentor convencional montado no sentido de vedar as impurezas.
Os modelos sem anel metálico possuem uso limitado a pequenos diametros, já que grandes diametros requerem seções rigidas para evitar o levantamento do lábio provocado pelo movimento ou pela pressão exercida no mesmos.

Montagem

A profundidade dos alojamentos dos anéis raspadores deve corresponder a altura menor do raspador, para evitar o acumulo de impurezas entre o alojamento e o labio de raspagemm o que ocorrerá se o lábio estiver dentro do alojamento.


Confira os produtos do segmento


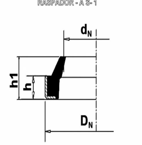
Raspador - AS1

São Aneis raspadores com capa metalica para montagem em alojamentos de extremidade aberta, proporcionando excelente raspagem.
São usados para remover particulas abrasivas que se depositam nas hastes dos cilindros pneumaticos ou hidraulicos.

Visualizar

Raspador - AS2

São Aneis raspadores com capa metalica para montagem em alojamentos de extremidade aberta, proporcionando excelente raspagem.
São usados para remover particulas abrasivas que se depositam nas hastes dos cilindros pneumaticos ou hidraulicos.

Visualizar

Raspador - AS3

São aneis raspadores de borracha que apresentam excelente raspagem, com usolimitado aos pequenos diametros, uma vez que os grandes requerem aneis raspadores de seções mais robustas.

Visualizar

Raspador - AS5

São aneis raspadores de borracha que apresentam excelente raspagem, com usolimitado aos pequenos diametros, uma vez que os grandes requerem aneis raspadores de seções mais robustas.

Visualizar

Raspador - AS8

São aneis raspadores de borracha que apresentam excelente raspagem, com usolimitado aos pequenos diametros, uma vez que os grandes requerem aneis raspadores de seções mais robustas.

Visualizar

Raspador - AS9

Com angulo favoravel a raspagem e fabricados em poliuretano com Molibdenio, os aneis raspadores AS-9 proporcionam vida util bem superior a dos raspadores de borrachaem geral.

Visualizar

Anel O´Ring

São os mais versáteis de todos os vedadores e estão presentes na maioria dos sistemas de vedação.
As vedações podem ser estáticas ou dinamicas, estando as dinamicas sujeitas a movimentos alternativos, a movimentos rotativos ou a ambos. São aplicados principalmente na hidráulica e na pneumática.

Visualizar

Anel Antiextrusão

Utilizado juntamente com O´Rings em aplicações de alta pressão, com a intenção de reduzir as folgas diametrais e não permitir a extrusão dos o´rings por elas.

Visualizar

Anel Quad´Ring

Evolução do O´ring, tem maior superficie de contato com o alojamento, a redução de compressão significa menos atrito e desgaste, o que irá aumentar a vida util da vedação e reduzir os custos de manutenção.

Visualizar

Passa - Fio

Peças técnicas utilizadas para proteção de fiação de equipamentos.

Visualizar

V - Ring

É um vedador de borracha com formato de anel e seção definida, com lábio de vedação em uma das extremidades e corpo para dar rigidez a peça. É aplicado como vedador ou como anel raspador em movimentos rotativos de altas velocidades e baixissimas pressões.

Visualizar

Vedabras, Retentores, Gaxetas e Aneis de vedação.

Rua General Osório 590 - Santa Ifigênia / SP
(11) 3352 - 1299 Estacionamento para Clientes  


<< veja o mapa de localização

mapa do site